12户内高压真空接触器主要用于交流50Hz或60Hz、额定电压至660V或直流额定电压至600V的控制电路中,用来控制各种磁铁线圈及用作使电信号的放大和传递给有关控制元件,是实现自动、远控必不可少的
一、适用范围
ZC1—12户内高压真空接触器主要用于交流50Hz或60Hz、额定电压至660V或直流额定电压至600V的控制电路中,用来控制各种磁铁线圈及用作使电信号的放大和传递给有关控制元件,是实现自动、远控必不可少的低压电器元件。
本产品符合IEC60947-5-1、GB14048.5标准。

二、使用环境条件
1 周围环境:-5℃+40℃,24h内其平均值不超过+35℃;
2 空气相对湿度:在+40℃时不超过50%,在较低温度不允许有较大相对湿度;
3 海拔高度:不超过2000m;
4 大气条件:没有会引起爆炸危险的介质,也没有会腐蚀金属和破坏绝缘的气体和导电尘埃;
5 安装类别:Ⅲ;
6 在无显著摇动和冲击振动的地方;
7 在没有雨雪侵袭的地方。
三、结构特征
1 继电器采用E形铁芯,双断点桥式触头系统的直动式连动结构,动作可靠。
2 继电器触头有多种组合(详见触头组合形式表)
3 继电器动作机构灵活、手动检查方便,结构设计紧凑,可防止外界杂物及灰尘落入继电器的活动部位。符合安全用电标准。
4 继电器外型尺寸小巧,安装面积小。安装方式可用螺钉紧固,也可扣装在35mm宽的标准安装导轨上,具有装卸迅速方便之优点。
5 触头为桥式双断点结构,触点材料由电性能优越的银合金制成,具有使用寿命长及良好的接触可靠性。灭弧室均呈封闭形,并由阻燃性材料阻挡电弧向外喷溅,保证人身及临近电器的安全。
6 继电器电磁铁工作可靠、损耗小、噪音低,具有很高的机构强度,线圈的接线端装有电压规格的标志牌,清晰醒目,接线方便,可避免因错电压规格而导致线圈烧毁。
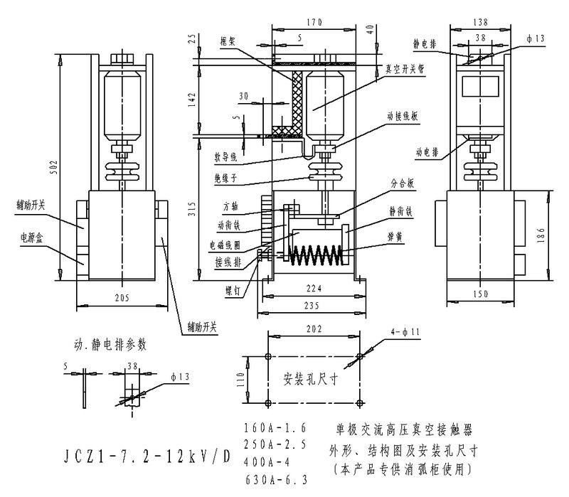
JZC1—12户内高压真空接触器主要技术参数(见表):
|
名称 |
单位 |
数值 |
||||
|
主 电 路 |
额定工作电压(Ue) |
kV |
7.2 |
12 |
||
|
额定工作电流(Ie) |
A |
160、250、400、630 |
||||
|
额定频率(fr) |
Hz |
50~60 |
||||
|
额定关合能力 |
A |
10Ie(AC-4) |
||||
|
额定开断能力 |
A |
8Ie(AC-4) |
||||
|
额定短时耐受电流 |
A |
10Ie |
||||
|
额定峰值耐受电流 |
A |
25Ie |
||||
|
额定短路持续时间 |
s |
4 |
||||
|
工频耐受电压 |
进线端相对地 |
kV |
32 |
42 |
||
|
真空断口 |
kV |
32 |
42 |
|||
|
雷电冲击耐受电压 |
kV |
60 |
75 |
|||
|
控制电路 |
额定电压(Us) |
V |
AC或DC.110/220 |
|||
|
额定功率(Ps)电保持 |
VA |
≤1000/100(吸合/保持) |
||||
|
辅助电路 |
形式 |
|
3a+2b |
|||
|
额定值 |
|
AC380V/10A,DC380V/2A |
||||
|
控制电路、辅助电路对工频耐受电压 |
kV |
2 |
||||
|
额定操作频率 |
长期 |
次/h |
300 |
|||
|
短期 |
次/h |
600 |
||||
|
机械寿命 |
万次 |
100 |
||||
|
电寿命 |
万次 |
25(AC-3),10(AC-4) |
||||
|
机械 |
合闸时间 |
ms |
≤200 |
|||
|
固有分闸时间 |
ms |
≤160 |
||||
|
合闸弹跳 |
ms |
≤10 |
||||
|
注:额定控制电压亦可按用户需要定制。 |
||||||